紅外感應器工作原理
時間:2018-12-11 來源:未知
紅外線傳感器是利用紅外線的物理性質來進行測量的傳感器。紅外線又稱為紅外光,它具有反射,折射,散射,干涉,吸收等性質。任何物質,只要它本身具有一定的溫度(高于絕對零度),都能輻射紅外線。紅外線傳感器測量時不與被測物體直接接觸,因而不存在膜材,并且有靈敏度高,響應快等優點。
紅外傳感器已經在現代化的生產實踐中發揮著它的巨大作用,隨著探測設備和其他部分的技術的提高,紅外傳感器能夠擁有更多的性能和更好的靈敏度。紅外探測器醫用可以用于非接觸式的溫度測量,氣體成分分析,無損探傷,熱像檢測,紅外遙感以及軍事目標的探察,搜索,跟蹤和通信等。下面我們一起來看一下紅外傳感器在生活,工業,農業,軍事,機器人等領域的應用。
實例1
紅外線遙控器鼠標器:
紅外線遙控鼠標器的工作原理:
紅外線遙控鼠標器由紅外發射器和紅外接收器兩部分組成,其原理方框圖如下圖所示

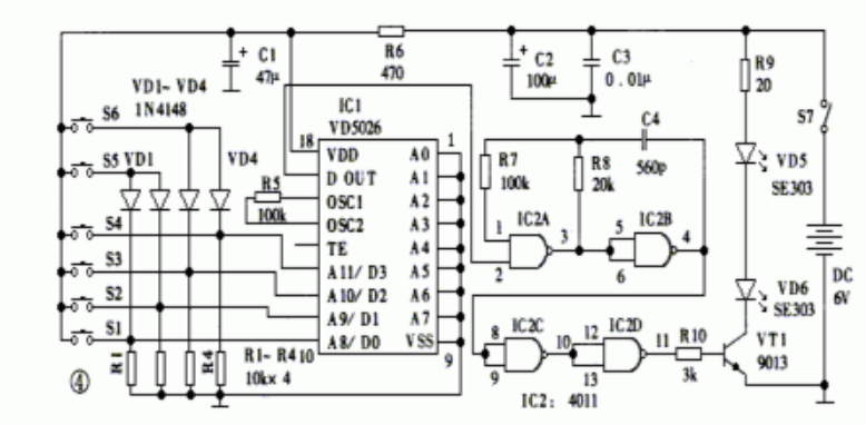
紅外發射器電路圖如下圖所示,IC1為編碼器集成電路VD5026。和它配對的編碼器集成電路為VD5027或VD5028。VD5026的1~8腳為地址端A0~A7,10~133腳為數據端D0~D3(和VD5028配合使用時可作地址端A8~A11),17腳為編碼信號輸出端,其輸出信號為IC2A,IC2B等組成的10KHz,脈沖發生器的信號進行調制。調制后的脈沖信號經IC2C,IC2D后由VT1推動紅外發光二極管VD5,VD6發射紅外線。IC2C,IC2D有緩沖和整形的作用。R5為編碼器VD5026的震蕩電阻,它和配對的解碼器VD5027的震蕩電阻應取相同的阻值,以保證時鐘頻率一致,否則將不能譯碼。數據端D0~D3的電平決定了鼠標器的移動方向和左右鍵的工作狀態,其電平收到S1~S6的控制,其中S1,S2控制x軸方向的正向和反向移動,S3,S4控制Y軸方向的正向和反向移動,S5,S6分別為鼠標器的左,右控制鍵。所按的鍵同D0~D3電平和工作狀態的關系見下表

實例2
紅外遙控器:在我們的家用電器中,很多都用到紅外遙控器,比如我們電視遙控器,用紅外遙控器控制智能冰箱,洗衣機,空調,還有私家汽車車門等等都能看到紅外遙控器的用武之地。
1.原理
紅外遙控器是利用一個紅外發光二極管,以紅外光為載體來將按鍵信息傳遞給接收端的設備。紅外光對于人眼是不可見的,因此使用紅外遙控器不會影響人的視覺。
日常生活環境中有很多紅外光源,太陽、蠟燭火光、白熾燈、甚至是我們的身體。這些紅外光源都可能會對我們的接收設備產生干擾,為了屏蔽干擾,只接收有效信息,我們就需要用到調制。調制是我們使需要的信號區別于噪音方法。通過調制我們可以使紅外光以特定的頻率閃爍。紅外接收器會適配這個頻率,其它的噪音信號都將被忽略。你可以認為這種閃爍是引起接收器“注意”的方法,正如我們人類特別容易被黃色的燈光引起注意一樣,甚至在白天
(2)信號的調制與解調紅外遙控信號是一連串的二進制脈沖碼。為了使其在無線傳輸過程中免受其他紅外信號的干擾,通常都是先將其調制在特定的載波頻率上,然后再經紅外發光二極管發射出去,紅外線接收裝置則會濾除其他雜
(3)波只接收該特定頻率的信號并將其還原成二進制脈沖碼,也就是解調。下圖是紅外線發射與接收的示意圖。圖1中沒有信號發出的狀態稱為空號或0狀態,按一定頻率以脈沖方式發出信號的狀態稱為傳號或1狀態。在消費類電子產品的紅外遙控系統中,紅外信號的載波頻率通常為30kHz--OkHz,標準的頻率有30kHz33kHz36KHz、36.7kHz、38kHz、40kHz和56kHz,此范圍內的其他頻率也能被識別

編碼與解碼
既然紅外遙控信號是一連串的二進制脈沖碼,那么,用什么樣的空號和傳號的組合來表示二進制數的“0”和“1”,即信號傳輸所采用的編碼方式,也是紅外遙控信號的發送端和接收端需要事先約定的。通常,紅外遙控系統中所采用的編碼方式有三種:
1)FSK(移頻鍵控)方式
移頻鍵控方式用兩種不同的脈沖頻率分別表示二進制數的“0”和“1',下圖是用移頻鍵控方式對“0”和“1”進行編碼的示意圖。

2)PPM(脈沖位置編碼)方式
在脈沖位置編偶方式下,每一位二進制數所占用的時間是一樣的,只是傳號脈沖的位置有所不同。空號在前、傳號在后的表示“1”,傳號在前、空號在后的表示“0”。下圖是采用脈沖位置編碼方式對“0”和“1”進行編碼的示意圖。

3)PWM(脈沖寬度編碼)方式
脈沖寬度編碼方式是根據傳號脈沖的寬度來區別二進制數的“0”和“1”的。
傳號脈沖寬的是“1”,傳號脈沖窄的是“0”,而每位二進制數之間則用等寬的空號來進行分隔。下圖是用脈沖寬度編碼方式對“0”和“1”進行編碼的示意圖。

在上述三種方式中,PPM(脈沖位置編碼)和PWM(脈沖寬度編碼)兩種方式是紅外遙控系統中最常用的。
4)紅外線信號傳輸協議
紅外線信號傳輸協議除了規定紅外遙控信號的載波頻率、編碼方式、空號和傳號的寬度等外,還對數據傳輸的格式進行了嚴格的規定,以確保發送端和接收端之間數據傳輸的準確無誤。紅外線信號傳輸協議是為逃行紅外信傳輸所制定的標準,兒乎所有的紅外遙控系統都是按照特定的紅外線信專傳輸協議來進行信號傳輸的。因此,要紫握紅外遙控技術,首先要熟悉紅外線信號傳輸協議以及與之機關的紅外線發射和接收芯片。
紅外遙控傳輸協很多,不少大的電氣公司,如NEC、Pliilips、Sharp、Sony 等,均制定有自己的紅外線信號傳輸協議
3、紅外線接收的解調專用電路--一體化的紅外線接收頭
前面曾經談到,紅外遙控信號是一連串的二進制脈沖碼。為了使其在無線傳輸過棍中免受其他紅外信號的干擾,通常都是先將其調制在特定的載波頻率上,然后再經紅外發光二極管發射出去,而紅外線接收裝置則要濾除其他雜波,只接收該特定頻率的信號并將其還原成二進制脈沖碼,也就是解調。
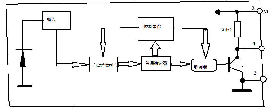
目前,對于這種進行了調制的紅外線遙控信號,通常是采用一體化紅外線接收頭進行解調。一體化紅外線接收頭將紅外光電二極管(即紅外接收傳感)、低噪聲前置放大器、限幅器、帶通濾波器、解調器,以及整形驅動電路等集成在一起,其外形及引腳定義如下圖(不同型號的一體化紅外線接收頭的引腳排列順序有所不同,具體請參考相關的產品手冊)。一體化紅外線接收頭體積小(類似塑封三極管)、靈敏度高、外接元件少(只需接電源退藕元件)、抗干擾能力強,使用十分方便。

一體化紅外線接收頭的型號很多,如SFH506-xx、TFMS5xxO和TK16xx、TSOPl2xx/48xx/62xx(其中“xx”代表其適用載頻)、HSOO38等。HSOO38的響應波長為0.94m,可以接收載波頻率為38kHz的紅外線遙控信號,其輸出可與微處理器直接接口,應用十分普遍。上圖、中圖、下圖分別是HD0038的電路框圖、應用電路及引腳圖


紅外傳感器在各方面的應用也十分廣泛:紅外傳感在工業工業上的應用:如紅外無損探傷儀。
紅外傳感在在軍事上的應用包括:瞄準吊艙;直升機;無人機;預警機;偵察機;偵查車;艦艇用新型偵查技術等。
紅外傳感器應用在智能機器人身上。
避障紅外傳感器電子小車等

