mooc课程精选,成品人片观看入口众乐乐,久久久久人妻一区精品性色av,苍兰诀大结局是什么,白丝美女被狂躁免费视频网站

當前位置: > 華清遠見教育科技集團 > 嵌入式學習 > 講師博文 > PXA270嵌入式系統設計(2)—時鐘及復位部分
PXA270嵌入式系統設計(2)—時鐘及復位部分
時間:2016-12-09作者:華清遠見

近計劃針對我們華清遠見的教學開發一套PXA270系統,我把我的一些軟、硬件開發過程記錄下來和大家一起分享、討論。有好的建議大家一定要及時交流,lht@farsight.com.cn。上一篇我寫了“PXA270嵌入式系統設計一:電源管理部分”,今天接著寫一下關于時鐘及復位部分的內容,歡迎指正~~

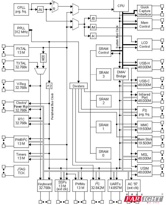
一、時鐘部分

任何一款處理器都需要至少一個時鐘源。在處理器的內部會有相應的時鐘管理單元來為cpu及各個功能控制單元提供合適的時鐘。

PXA270處理器的需要兩個外部振蕩器,1個13M和1個32.768K。它們各自的作用:

  • 13M的時鐘主要用于產生系統各個PLL的參考時鐘,也可以為部分低速控制器提供時鐘;
  • 32.768K的時鐘主要用于為RTC控制器提供實時時鐘源,也可以為部分低速控制器提供時鐘。

PXA270處理器內部有兩個PLL單元,一個是外圍PLL,另一個是核心PLL

  • 外圍PLL使能后產生固定的312M時鐘,用于為高速控制器提供時鐘源;
  • 核心PLL可以產生26—624M時鐘,用于cpu、內存控制器、系統總線、及LCD控制器。

時鐘部分的電路原理圖:

二、復位部分

PXA270提供了5種復位方式:

  • 上電復位:當VCC_BATT管腳第一次上電時產生,是一種完全復位。
  • 硬件復位:也是種完全復位,當nRESET管腳置位時產生。
  • 看門狗復位:看門狗控制器觸發,是一種部分復位,詳見PXA270芯片手冊。
  • GPIO復位:是硬件復位的一種形式,可以由外部信號觸發。也是一種完全復位。
  • 睡眠退出復位:復位那些在睡眠和深度睡眠時斷電的模塊。

系統中和復位相關的電路原理圖。

  • 上電復位

  • 硬件復位

下圖是max1586C和系統復位電路相關的接線

K1為復位按鍵,通過max1586C的復位管理電路輸出nRSO信號。如果系統沒有類似max1586C的復位管理電路的話,可以用一片類似max811的復位芯片來完成,也可以用阻容及一些邏輯電路的方式來完成復位。

注意:max1586C的MR腳復位會復位max1586C的V3輸出到1.3V,對其它電壓輸出沒有影響。

下圖是復位信號和PXA270的nRESET的接線。

當nRESET置位或看門狗控制器復位時,nRESET_O都可以置位。可以用其來完成其它外圍芯片的復位。

下圖是JTAG電路,其復位信號要和系統的nRESET連接。

時鐘復位部分大致就這么多了。

發表評論
評論列表(網友評論僅供網友表達個人看法,并不表明本站同意其觀點或證實其描述)